0 引言
面對日益激烈的市場競爭,許多企業都在尋求生產工藝的改進,如在發酵過程中引入操作自動化控制系統,采用測試技術、傳感技術和預測模糊控制技術,對溫度、壓力、pH值、溶解氧、風量、補料、轉速和電機顯示進行數字化自動控制,不僅節省了大量人力,而且提高了生產效率和產品質量。對于工業發酵來說,發酵工程的首要任務是選擇合適的菌種進行培養和繁殖,同時需要保持最佳的生長條件和參數控制,發酵罐的選擇以及微生物的接種、分離和純化。生物發酵是產品制備的生化反應過程,涉及生活和生產的方方面面。生物發酵參數是發酵過程及其菌種生理生化特性的數據,也是人們控制發酵過程的主要依據。生物制藥發酵過程中與微生物生長和代謝相關的控制參數包括溫度、壓力、溶解氧、pH、液位、流量等,參與全過程自動控制的測量儀表和控制閥也是生物發酵的重要組成部分。
生物發酵工業的生產不僅特殊,而且對產品的衛生要求也很高。雖然生物發酵工程中的儀器和閥門是發酵設備智能化不可或缺的一部分,但除了常規規范和標準外,它們還需要滿足良好生產規范(GMP)或GAMP指南的要求。除衛生和無菌要求外,與藥品質量相關的物料和環境直接接觸的儀表或控制閥也有嚴格的滅菌、密封和隔離等要求。根據近年來在生物發酵工程中自動控制選型和使用的經驗,主要介紹了生物發酵工程中各種儀表的選型要點。

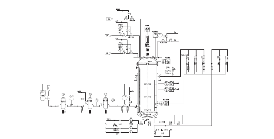
圖1 發酵系統圖
1 生物發酵工藝流程
某公司新建50萬噸/年農副產品深加工綜合利用項目,將基礎作物加工成亮氨酸、透明質酸等數十種高附加值氨基酸、發酵產品,提升當地經濟效益。該項目引入發酵過程全程自動化生產,打造高效、節能、衛生、綠色的無人智能車間。發酵過程參數的測量與控制直接影響發酵效果,發酵部分包括種子培養過程和發酵過程。
1)種子培養工序
將種子罐清洗完畢后加入玉米漿并攪拌均勻,用蒸汽進行消毒,消毒完成后用循環水降溫,調整pH,將儲存在種子室中的菌種加入種子罐,空氣經過濾、蒸汽消毒后,并將其送入種子罐進行種子培養,種子培養達到指標后,靠壓差進入發酵罐。
2)發酵工序
發酵罐中通入經過濾、蒸汽滅菌后的無菌空氣進行發酵,通過添加氨水調節pH值,通入低壓蒸汽、循環水、冷凍水調節發酵罐內物料溫度,在引入生產菌并用活性種子擴大培養后,將它們加入發酵罐中,并進行約60h的好氧發酵以制取發酵液。發酵液通過出料管送至發酵液儲罐,后送至下一工段。圖1是某個發酵系統設計的測量參數情況。
從圖1可以看出發酵過程測量參數主要有:入罐溫度TT(細菌生長的合適溫度)、進氣流量FT(罐中二氧化碳和氧氣的生產和消耗)、罐壓力PT(壓力影響溶解氧和細菌生長)、進料流量FT(微生物生產和代謝的必需營養素),變頻電機轉速(確保營養物質與細菌均勻接觸)、溶解氧、pH(細菌代謝條件)等。
2 測量儀表閥門的選型要點分析
2.1 溫度檢測儀表
溫度對發酵的影響:
1)對細胞生長的影響:溫度升高,從酶反應動力學來看,生長代謝加快,但由于酶很容易熱失活,所以高溫時菌體易于衰老。
2)對產物形成的影響:菌體生長速率、呼吸強度和代謝產物形成速率的最適溫度往往是不同的;溫度升高,一般產物生成提前。
因此,發酵過程中的罐溫是一個十分重要的微生物生長的環境參數,發酵中常采用熱電阻溫度計檢測罐內溫度。由于微生物培養過程是純培養過程,因而對無菌、潔凈要求很高,故發酵罐、種子罐等設備上的溫度檢測儀表常采用衛生型,以下是衛生型溫度變送器的選擇要求:
(1)符合3A衛生標準[5];(2)整體不銹鋼結構;(3)工藝連接部分采用整體焊接拋光工藝,衛生連接(焊接、符合ISO 2852的卡盤、符合DIN11851的螺紋等);(4)溫度傳感器敏感元件采用高精度鉑熱電阻,輸出4mA~20mA電流信號,二線制+Hart或其他協議信號;(5)精度等級:0.25%FS或0.5%FS;(6)衛生一體化溫度變送器一般選用熱電阻溫度計+衛生型溫度套管。
2.2 壓力檢測儀表
壓力主要用于發酵罐調節進氣量或排氣量,維持發酵過程中所需的壓力。發酵罐中的氣體壓力測量必須滿足清潔度、除塵和交叉污染保護的要求,并符合制藥和生物技術指南的最高標準[。因此,發酵罐、種子罐等設備及純化水管線上的壓力檢測儀表采用衛生型壓力變送器。以下是衛生型壓力變送器的選擇要求:
(1)符合3A衛生標準;(2)整體不銹鋼焊接結構;(3)過程連接形式選用卡盤連接,衛生卡盤壓力接口:316L平膜片,采用膜片結構方便快速拆裝清洗,防止結垢,不應有無菌死角;(4)常采用擴散硅或單晶硅傳感器,帶現場顯示功能,同時輸出4mA~20mA+Hart信號,精度可達0.075%。
2.3 在線檢測儀表
在線檢測需要在發酵系統中采用專門的傳感器(也叫電極或探頭),以傳輸一些發酵信息并為發酵測量提供基礎。由于微生物培養過程是一個無菌要求很高的純培養過程,因而對傳感器有特殊要求:
(1)插入儲罐的傳感器必須能夠承受高壓蒸汽滅菌;(2)傳感器結構不應有無菌死角,以防染菌(密封性好);(3)傳感器對測量參數要敏感,相應時間要短(響應快、靈敏);(4)傳感器性能要穩定,受本應用環境影響小。
2.3.1 在線檢測儀表(pH)
發酵過程中培養基的pH值是在一定環境條件下微生物代謝活性的綜合指標,是重要的發酵參數。發酵罐、種子罐罐內的pH檢測一般是使用復合pH電極,該電極結構緊湊且可蒸汽滅菌。以下是pH檢測儀表的特點:
(1)選用可以在生物過程蒸汽消毒等高溫環境中反復使用的pH電極;pH電極采用螺紋接口Pg13.5,護套主體采用316L不銹鋼材質,結構需堅固穩定。
(2)參比電極采用抗污染能力強的雙鹽橋結構,可消除液接部分的堵塞。液接部材質:玻璃,陶瓷或316L。
2.3.2 在線檢測儀表(溶解氧)
溶解氧是指測量罐內培養液中氧含量的比例,氧氣是菌種生長和生化反應所必需的物質之一。根據目前發酵行業自身的特點,溶解氧表示采用空氣百分飽和度的表示方法。一般在接種前,模擬正常培養的條件(攪拌,溫度,罐壓,通氣),進行滿刻度標定,此時溶解氧視為100%,調好后不再對其校正,直到發酵結束。以下是溶解氧檢測儀表的選擇要求:
(1)可采用電化學測量原理,適用于各種生物發酵設備中含氧量檢測。
(2)電極采用螺紋接口Pg13.5,主體采用316L不銹鋼材質材料。
(3)需配耐壓不銹鋼結構膜片,抗形變能力強,耐受高溫滅菌使用。
(4)測量范圍0mg/L~20mg/L,0%~200%。
2.4 流量檢測儀表
發酵車間對無菌化潔凈化要求很高,經常性高溫消毒,故發酵罐或種子罐的蒸汽、空氣管道流量檢測一般采用衛生型渦街流量計,發酵罐或種子罐的料液、純水流量檢測一般采用衛生型電磁流量計等。電磁流量計主要用于檢測能導電的流體(如循環水等)的測量,因此選用電磁流量計需確定物料介質的導電性。以下是以衛生型(電磁)流量變送器為例,選用特點說明:
(1)符合3A衛生標準。
(2)過程連接形式有多種衛生型連接,可選用(焊接、卡箍、螺紋)連接。
(3)衛生型流量計選用衛生型襯里材料(PFA內襯),這樣防止了介質殘余物堆積在測量管中;選用不銹鋼傳感器外殼,電極SS316L。
(4)光潔度要求:接液材質表面光潔度Ra≤0.8um或高拋光度Ra≤0.38μm。
(5)密封圈材質可選用EPDM/FKM等要符合3A、EHEDG認證,并滿足各類衛生型應用場合要求。
2.5 液位檢測儀表
發酵罐、種子罐等設備內體積的檢測一般采用壓差法,因此發酵罐上設置差壓變送器來檢測罐內體積。該液位計利用發酵罐上下兩點或三點間不同壓強可計算出料液體積和頁面高度。發酵設備內不允許存在雜菌,對無菌,潔凈要求很高,因此液位檢測儀表常選用衛生型,衛生差壓變送器的特性與衛生壓力變送器的特性相似。
2.6 控制閥
在發酵過程中,罐體內和管道中不允許存在其他雜菌。雜菌可能產生有毒有害物質,影響發酵質量和產量,嚴重時可能導致整罐發酵失敗。因此,在接種菌種之前,有必要對發酵罐、管道和培養基溶液進行高溫蒸汽滅菌處理。故在生物發酵工程中,經常使用衛生閥作為控制閥,如衛生蝶閥、衛生球閥、隔膜閥、抗生素閥、角座閥。衛生級閥門指的是用于生物制藥行業中的對衛生等級要求很高的場所所使用的閥門管件;衛生級閥門通常由304或316不銹鋼制成,在生產加工后經過特殊處理。在許多方面,工業閥門無法與之相比,例如清潔度和簡單的安裝方法。生物制藥的生產設備是需要沒有死角,光滑,沒有縫隙,要足夠的高清潔度以保證完整的質量。生物反應器的無菌要求很高,可能與樣品接觸的閥門以隔膜閥或抗生素閥為主。

表1 發酵工藝過程測量儀表和控制閥數據表
衛生閥采用卡盤連接、快裝法蘭連接和焊接連接的形式進行連接。以抗生素閥為例,介紹了控制閥的選型要求:(1)應具有較強的殺菌、清毒功能,防止產品污染;(2)密封墊采用耐高溫聚四氟乙烯復合材料制成;(3)密封墊、閥體中間密封圈、閥桿填料均采用優質聚四氟乙烯材料;(4)要求耐高溫,使用壽命長,無死角,零泄漏。
衛生控制閥系統解決了生產過程中的缺陷,快速提高了發酵罐的安全性。準確的儀表選型設計避免了染菌產品而造成不必要的后果,同時與工業普通閥門相比,衛生控制閥更緊湊輕便,可節省大量空間,滿足CIP/SIP需求。
生物發酵工藝對殺菌、消毒、密封和隔離等要求很高。因此,在一般的生物發酵生產工程中,工藝設備、測量儀器和控制閥往往選用衛生型。從上述各類測量儀表選型要求分析可以看出,衛生型儀表和普通儀表的區別主要體現在以下幾點:
(1)材質方面:根據不同條件工況要求選用不同等級的不銹鋼材料(304L、316L等)。
(2)結構方面:表面光滑干凈(表面光澤度最好小于0.8μm),無死角,不易結垢,不易污染,易于沖洗。
(3)在認證方面:衛生儀器通常需要獲得3A級衛生認證,或者能夠獲得第三方衛生檢測報告,以滿足GMP/FDA的要求。
(4)外觀方面:衛生儀表和閥門從外觀上看有一個顯著的特點,即卡箍式連接和衛生級快裝法蘭連接等。
生物工程中的制劑車間、發酵車間等有潔凈要求的場合需選擇衛生型儀表。對于有滅菌要求的發酵系統,衛生儀表可以同時滿足在線滅菌的要求。在防染菌防污染,防止有毒、有害和污染物進入和泄出、耐高溫消毒滅菌方面,要求嚴格密封和隔離。在選擇儀表時,要綜合考慮儀表的安裝條件,是否能滿足安裝過程中無死角,易清洗,無殘留的衛生要求。
3 測量儀表閥門的選型應用
根據上文的發酵工藝流程描述及選型要點分析,提供了幾種典型的測量儀表和控制閥的選擇參數。
從表1中典型測量儀表和控制閥的選型可以看出,生物發酵工程和化工行業的儀表及控制閥的選型有許多差異,原因是生物發酵旨意培養出更好的菌種。生物工程對生產過程的環境和設備有著嚴格的要求,這使得衛生儀表和閥門的選擇更加關注設備本身(部件材料、結構)以及環境因素是否會對生物發酵生產過程產生不利影響。
4結語
目前,自動化測量儀器和控制閥在生物發酵行業的應用越來越多。然而,行業內對衛生儀表的選型沒有系統的標準支持,導致設計師在選擇衛生儀表時缺乏概念。同時,中國沒有衛生標準,也缺乏權威的認證機構。本文介紹的衛生儀表的選用要點,希望對大家在生物發酵工程中的儀表閥門選型有所幫助。